Product Summary
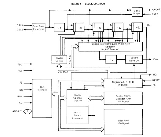
The MC146818P is a type of real-time clock plus RAM, which is a peripheral device. It includes the unique MOTEL concept for use with various microprocessors, and large computers. This part combines three unique features: a complete time-of-day clock with alarm and one hundred year calendar. The MC146818P has two distinct uses. First, it is designed as a battery back-up functions such as RAM, time, and calendar. Secondly, it may be used with a CMOS microprocessor to relieve the software of the timekeeping workload and to extend the available RAM of an MPU.
Parametrics
MC146818P maximum ratings: (1)Supply voltage: -0.3 to +8.0V; (2)All input voltage: VSS-0.5 to VDD+0.5V; (3)Operating temperature: 0 to 70℃; (4)Storage temperature: -55 to +150℃.
Features
MC146818P features: (1)Low-power, High-speed, High-density CMOS; (2)Internal Time base and oscillator; (3)Counts seconds, minutes, and hours of the day; (4)Counts days of the week, date, month, and year; (5)3V to 6V operation; (6)40 to 200μW typical operating power at low frequency time base; (7)Binary or BCD representation of time, calendar, and alarm.
Diagrams

![]() |
![]() MC14000UB |
![]() Other |
![]() |
![]() Data Sheet |
![]() Negotiable |
|
||||||||||||||||
![]() |
![]() MC14001B |
![]() Other |
![]() |
![]() Data Sheet |
![]() Negotiable |
|
||||||||||||||||
![]() |
![]() MC14001BCP |
![]() ON Semiconductor |
![]() IC GATE NOR QUAD CMOS 14DIP |
![]() Data Sheet |
![]()
|
|
||||||||||||||||
![]() |
![]() MC14001BCPG |
![]() ON Semiconductor |
![]() Gates (AND / NAND / OR / NOR) 3-18V Quad 2-Input NOR |
![]() Data Sheet |
![]()
|
|
||||||||||||||||
![]() |
![]() MC14001BDG |
![]() ON Semiconductor |
![]() Gates (AND / NAND / OR / NOR) 3-18V Quad 2-Input NOR |
![]() Data Sheet |
![]()
|
|
||||||||||||||||
![]() |
![]() MC14001BDR2 |
![]() |
![]() IC GATE NOR QUAD CMOS 14SOIC |
![]() Data Sheet |
![]()
|
|
||||||||||||||||
(China (Mainland))










